
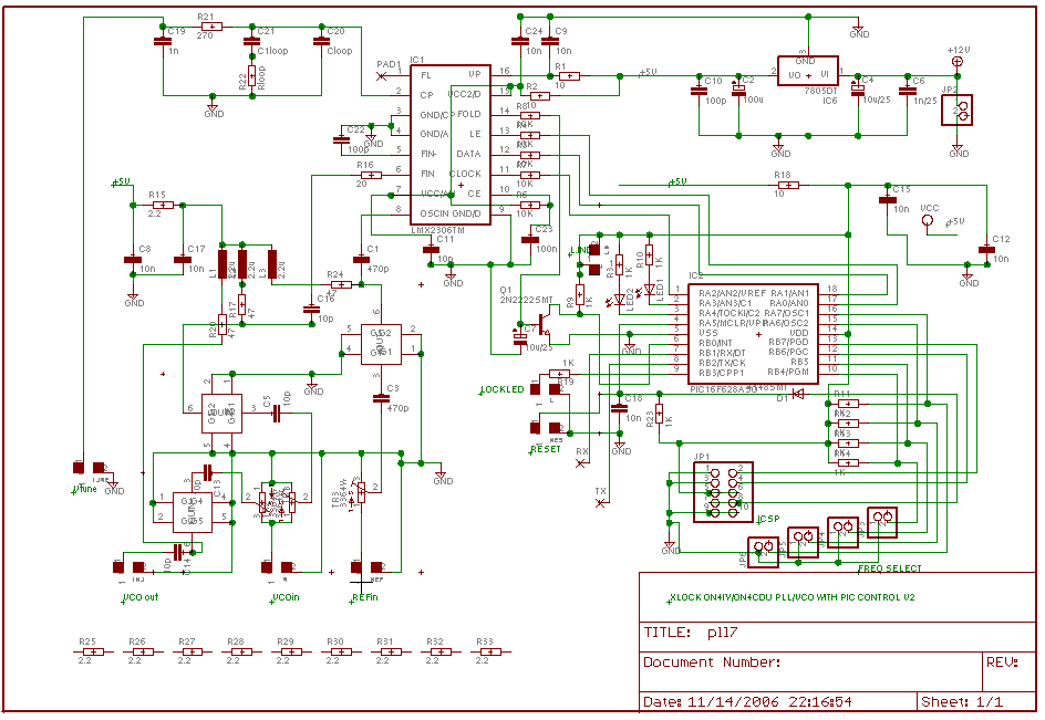
| XLOCK 1st run | 13/02/06 on4iy | ||||
| Pin Ref | 10 | dBm | |||
| Pin LO | 6 | dBm | |||
| 1 | 2 | 3 | 4 | ||
| Pout thru | 8 | 10.8 | 10.2 | 8.5 | dBm |
| Vref LMX | 4.5 | 4.5 | 4.6 | 4.5 | Vpp |
| Vlo LMX | 1.5 | 0.9 | 1.35 | 1.8 | Vpp |
| Loop filter | No – 470K | CDU/no 680R | CDU/no 680R | No – 470K | |
| PIC reads lock, drives external LED to GND | |||||
| External LED jumper select at startup |
