Relé on-off nyomógombbal :
Kapcsolási rajza itt letölthető

12V Pb akkumulátor /30-60 Ah / töltő :
Kapcsolási rajza itt letölthető

Hőcserélős szellőzető vezérlés:
Kapcsolási rajza itt letölthető

Analóg robot: tápfesz (CR2032), kapcsoló, mobil rezgő, "szemek" és fogkefe talp....
KF elválasztó panoráma adapterhez:
Kapcsolási rajza itt letölthető

A kimeneti szűrőt az adott rádió I. KF frekvenciájára kell méretezni.
A rajzon az FT 920 I. KF ( 70 MHz )szűrő található.
Átviteli karakterisztika:

Beépítve az FT920 transceiverbe:
Analóg tápegység: 13,8V / 30 A
Kapcsolási rajza itt letölthető

Kimeneti túlfeszvédelem ON Semi gyártmányú MC3423 ic-vel

Rádióamatőr átjátszó TimeOUT áramkör:
Kapcsolási rajza itt letölthető

Adás vége hangjelzés (beep):
Kapcsolási rajza itt letölthető

Hangja itt letölthető:

VHF alacsonyzajú előerősítő FH1-G FET-tel
Kapcsolási rajza innen letölthető:

Bemneti szűrő átvitele:

A komplett erősítő átvitele:

F2A generátor: "hangzó távíró" FM üzemben
F2A generátor rajza innen letölthető:

A rajzon C11 fordított polarítással helyes.
IC 706 PTT vezérlő
Az optocsatolós PTT vezérlő rajza innen letölthető:

X-Phase zajcsökkentő
Az X-Phase építési leírásai, működést bemutató videók és linkjei innen elérhetők:

USB hangkártya - TRX interfész:
Az interfész kapcsolási rajza innen letölthető:

Az interfész kapcsolási NYÁK rajza Layout5-el:

MacBook audio interfész (PSK, RTTY, CW, stb.):
Az interfész kapcsolási rajza innen letölthető:

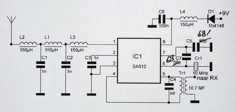
Up konverter SAQ adás vételére:
Kapcsoláson annyi a módosítás, hogy Cr1 = 10,7 Mc/s kvarc és tápellátás 12V-ról zeneres stabilizátorral, ANT bemeneten antiparalell védődiódák,
vételi jelforrás mini WHIP, vevő: FT920 RX antenna bemeneten keresztül.
A 2018 December 24-i adás első részlete itt meghallgatható, mely a fenti összeállítással készült:
A második részlete pedig itt hallgatható meg:
SAQ QSL a 2018 December 24-i vételi riport visszaigazolásáról:
Li-Ion akku FT817-hez:
mini WHIP aktív vevőantenna (PA0RDT):
http://home.scarlet.be/on1bes/mini_whip_slim_line_en.html
SMD forrasztó asztal:
Antenna forgató vezérlő és visszajelző:
A vezérlő/visszajelző rajzai innen letölthetők:

Power & SWR meter ( 100/10 Watt ):
Mérőhíd IK3OIL konstrukcíója alapján készült:

http://www.aripadova.it/autocostruzione/35-strumentazione/48-rosmetro-wattmetro.html
Műszer:
http://www.ebay.com/itm/Panel-Dual-SWR-Forwad-Reflected-Meter-100uA-VU-meter-SZ-70-/301873943916?hash=item464916d56c:g:js4AAOSwfcVUKxQb
NWT500 kiegészítő, mérő adapterek:
SWR mérő híd
(DG0SA FA 9/11 számában megjelent írása alapján)
Az SWR mérő híd rajza innen letölthető:

Q-mérő adapter
A Q mérő rajza innen letölthető:

Alacsonyfrekvenciás, programozható generátor
Építési leírás az alábbi linkeken megtekinthető:
http://www.electronics-lab.com/project/dds-function-generator
http://www.scienceprog.com/avr-dds-signal-generator-v20
1,5 - 30 MHz sávszűrő Trx és antenna közé
Az átviteli karakterisztika itt megtekinthető:

Motorola GP900 programozó ineterfész
Az interfész rajza innen letölthető:

Asztali mikrofon erősítő és hangszínszabályozó
A mikrofonáramkör rajza innen letölthető:

Fahrenheit forrasztópáka hőfokszabályozó 200 - 400 C
Az hőfokszabályozó rajza innen letölthető:

Napelemes áramforrás ( benne 12V / 15Ah akku és hálózati töltő )
Az áramforrás rajza innen letölthető: ( hamarosan )

AKKU és PSU teszter / terhelés hatására hogyan változik a kapocsfeszültsége /
A teszter rajza innen letölthető:

S9 szignál generátor vevő ellenőrzéshez
S9 szignál rajza innen letölthető:

L-mérő adapter
Lx-mérő rajza innen letölthető:

W5GI antenna
Leírás, képek, rajzok innen letölthetők:

Ventillátor hőfok kapcsoló
( tápegység csendesítésére )
Kapcsolási és nyák rajza itt letölthető:

Szakadásvizsgáló
nyomtatott huzalozás szakadás/zárlat kereséshez 100 mV vizsgálófeszültséggel
Kapcsolási rajza itt letölthető:

Analóg termosztát... pl. fűtéshez
Építési leírása itt letölthető:

Térerő mérő
SMD illesztő panelek
Nyák rajzai itt letölthetők:

Szimetrikus tuner
7 MHz-es rövídített dipól
Ellenállás színkódok
Itt letölthetők:

KLF lap tervezéshez, rajzoláshoz
Itt letölthetők:

