|
Es handelt sich hierbei um eine Solarleuchte vom Typ SW131-T von Conrad-Electronic,
zuletzt im Katalog 2004, Best.-Nr.: 11 01 84. Die Solarleuchte wurde ursprünglich mit einem 10W-Halogenleuchtmittel
betrieben und hatte einen Infrarot-Bewegungsmelder (Halbkugel recht neben dem
Typenschild). Nach einem Kabel/Leiterplattenbrand durch Korrosion entschied
ich mich, die Steuerung der Leuchte einem Atmel AVR in Auftrag zu geben. Die
"neue" Solarleuchte sollte mit sparsamen Leuchtmittel ausgestattet
sein und eine Abschaltmöglichkeit (aus der Ferne) aufweisen, damit sie nicht
die ganze Nacht hindurch leuchtet.
Als Leuchtmittel habe ich 4 weiße LED's mit je 10 Candela
verwendet (Conrad , Best.Nr.: 17
67 24, Preis 99 ct). Eine ersetzt das Halogen-Leuchtmittel und die drei anderen
ersetzen die roten LED's die als Wegmarkierung auf einem Ring rund um die
Halogen-Fassung angebracht waren (Bild 1). Die LED's werden parallelgeschaltet und mit
einem Strom von 100 mA betrieben. Das sind dann 25 mA pro LED (5 mA über der
vorgesehenen Flußpannung). Die LED's im Ring werden dann auf den Spiegel
im Lampenunterteil ausgerichtet (Bild 2).
Für die konstante Helligkeit der LED's soll, in der Luxus-Version,
ein Step-Down-Schaltregler sorgen (34063).
Vorerst wird die Helligkeit der LED's mit einem LT317 (einstellbarer
Linear-Spannungsregler) festgelegt. Das hat aber den Nachteil, das bei sinkender
Akkuspannung, ab einem bestimmten Punkt (ca. 6 Volt)
die Helligkeit abnimmt. Der Schaltregler aber würde bis zu einer
Eingangsspannung von 4.7 Volt eine konstante Ausgangsspannung liefern und ist
sparsamer (vor allem in den Wintermonaten), da er nicht die gesamte Verlustleistung (ca. 0.5 bis 0.7 Watt) in
Wärme umwandeln muss .
Als Fern-Abschaltmöglichkeit habe ich einen IR-Empfänger TSOP1736
verwendet, der hinter der Halbkugel den Bewegungssensor ersetzt (Bild 3). Mit einer
handelsüblichen RC5-Fernbedienung lässt sich dann die Solarleuchte aus einer
Entfernung von ca. 5 bis 6 Meter ausschalten
bzw. bei Dunkelheit auch wieder einschalten.
Die eingegossene Solarzelle im Deckel ist eine Siemens-Solarzelle mit 1.2
Watt. Sie liefert bei einer Nennspannung von 9.2 Volt einen Strom von ca. 130 mA
(unter optimalen Bedingungen).

Bild 1: LED's |

Bild 2: Spiegel (original) |

Bild 3: TSOP 1736 |
Die obere Gehäuseschale wurde dann auf der Unterseite mit
Spiegelfolie beklebt um die Lichtausbeute noch zu vergrößern.

Bild 4: oberer Reflektor |

Bild 5: Leiterplatte |
Auf der Leiterplatte befindet sich oben, unter der Halbkugel,
der Infrarot-Empfänger (TSOP 1736). Rechts unterhalb der Halbkugel befindet sich die
Status-LED (D1). Die LED zeigt per Morsecode an, ob der Akku noch geladen wird (c=charge)
oder die Ladeschlussspannung erreicht war (f=full), sowie die Akkuspannung
2-stellig an (erste Zahl vor und nach dem Komma). Zur Auslösung dient die
Taste 1 bzw. 2 auf der Fernbedienung. In der Mitte befindet sich der Microcontroller.
Der ATmega8L ist ein Low-Power-Typ, der mit einer Betriebsspannung von
2.8 bis 5.5 Volt arbeitet. Die Taktfrequenz beträgt 1 MHz. Unterhalb des ATmega sind die
zwei (erweiterter Schaltplan siehe unten) IRF7401 zu sehen, die gesockelt wurden. Sie sind verantwortlich für
das Schalten des Lichts. Links, unter der roten Test-LED (zeigt nur
Ladefunktion an) befinden sich die 2 Transistoren (BC328/548) die für das
Laden des Akkus zuständig sind. Für die Spannungsversorgung
des ATmega und des TSOP 1736 dient der LP2950. Es ist ein 5 Volt Low-Drop-Linearregler, der
zwischen Eingang und Ausgang einen minimalen Spannungsabfall von ca. 0.5 Volt
aufweist. So bleibt für den ATmega auch beim
Unterschreiten der Entladeschlussspannung von ca. 4.5 Volt (0.9 Volt je Zelle) noch
eine ausreichende hohe Betriebsspannung um korrekt arbeiten zu können (bei
der Verwendung eines normalen Spannungsreglers, wie z.B. der 78L05, arbeitete
der ATmega dann nicht mehr korrekt). Der TL431 sorgt für eine Referenzspannung von
2.5 Volt mit 30ppm/°C zur Akku- u. Solarspannnungsmessung..

Bild 6: Schaltplan Solarleuchte "Luxusausführung" |

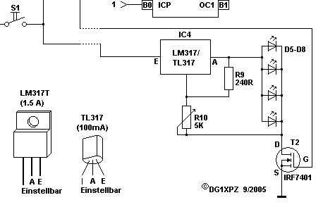
Bild 7: Ergänzungsschaltplan Solarleuchte "einfache Ausführung" |
Das Stromverhalten der gesamten Schaltung sieht wie folgt aus: Der ATmega
verbraucht bei 5V ca. 9mA. Der Spannungsregler verbraucht ebenfalls 9mA und der
Rest der Schaltung noch mal ca. 3mA. Insgesamt sind das dann ca. 122mA, mit
100mA Beleuchtungsstrom, bzw. 12mA, ohne Beleuchtung, die die Schaltung dem Akku
entzieht. Der Akku sollte also mindestens so dimensioniert werden, das er nach Erreichen
der LED-Abschaltspannung von 5 Volt, über Nacht, nicht unter den Wert der
Entladeschlussspannung von 4.5 Volt ( 0.9 Volt je Zelle zur Verringerung des
Memoryeffekts möglich) sinkt. Ich verwende für meine Solarlampe ausrangierte Akkus die
aufgrund ihres zu hohen Innenwiderstandes nicht mehr für Camcorder etc. zu
gebrauchen waren. Es sollte darauf geachtet werden, das die Rest-Kapazität der
Zellen ähnlich ist. Meine Zellen haben noch eine Kapazität von ca. 700mAh
(Aufdruck 1500mAh). Das
würde dann rein rechnerisch für eine Leuchtdauer von 5.7 Stunden reichen
(Akkukapazität 700mAh / Stromverbrauch 122mA = Leuchtdauer). Wem die
Leuchtdauer nicht ausreichend erscheint , der muss entsprechen die Anzahl der
LED's und/oder den Strom reduzieren. Wie lange würde es dauern bis das
Solarmodul den Akku wieder aufgeladen hat ? Akkukapazität 700mAh * Faktor 1.4 /
Ladestrom 165mA = 6 Stunden muss die Sonne optimal auf das Solarmodul
scheinen, dann ist der Akku voll. Im Sommer sind diese Werte im Normalfall
zu erreichen, in den Wintermonaten ist das fast unmöglich den Akku an einem Tag
voll zubekommen, da der Ladestrom aufgrund des niedrigen Sonnenstandes bei ca.
90mA liegt. Denkbar wäre für diesen Zeitraum z.B. eine Helligkeitsdimmung per
PWM.
Der Timer1 des ATmega8 (PinB.1 /OC1) ist von Haus aus für eine direkte
PWM-Steuerung vorgesehen. Dabei wird keinerlei zusätzliche Rechenzeit
benötigt. Um die Helligkeit zu ändern muss lediglich dem Register Pwm1a ein
neuer Wert zugewiesen werden:
Config Pinb.1
= Output 'Ausgang
mit superhellen LED's
Config Timer1 = Pwm , Pwm
= 8 , Compare A Pwm
= Clear Down , Prescale
= 8
.....
Pwm1a =
128
' Halbe Helligkeit 255=volle Helligkeit
..... |
Bei der vorhergehenden Schaltung wurde die Masse des
Spannungsreglers/Schaltregler und die Masse der LED's gemeinsam
geschaltet. Jetzt müssen die beiden Masseverbindungen getrennt geschaltet
werden. Dafür benötigen wir einen zusätzlichen Mosfet IRF7401 der vom PinB.1
per PWM gesteuert wird. Die neue Schaltung sieht dann so aus:

Bild 8: Schaltplan Solarleuchte "Luxusausführung" mit PWM-Steuerung |
Viel Spaß beim Nachbau!
Datenblätter
|