Eine sogenannte PTT-Steuerung

Die fertig eingebaute PTT-Steuerung

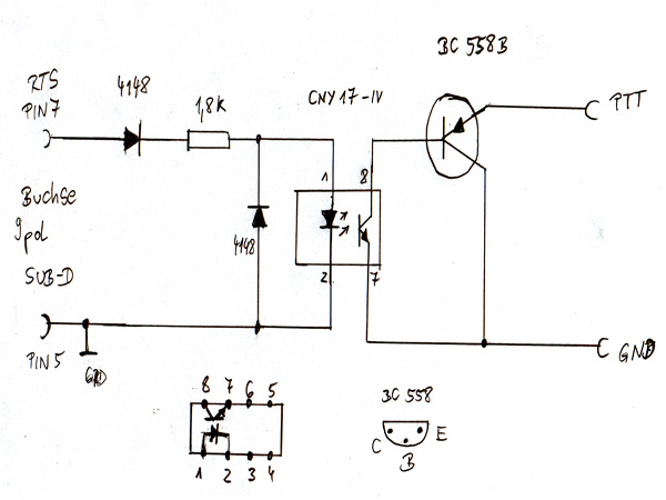
Der Schaltplan